| Sign In | Join Free | My spintoband.com |
|
Brand Name : PEGO
Model Number : PA140
Certification : Third-lab Calibration Certificate
Place of Origin : China
MOQ : 1set
Price : USD600-800/set
Payment Terms : T/T, Western Union, MoneyGram
Delivery Time : 15 working days
Packaging Details : carton box
Standard : UL1278 , UL398, UL507
Material : metal and insluating material
Shippment : by express
Application : Film Coated Wire
PA140A UL Test Finger Probe Film Coated Wire Conforms to UL1278 with CNAS Certificate
Introduction
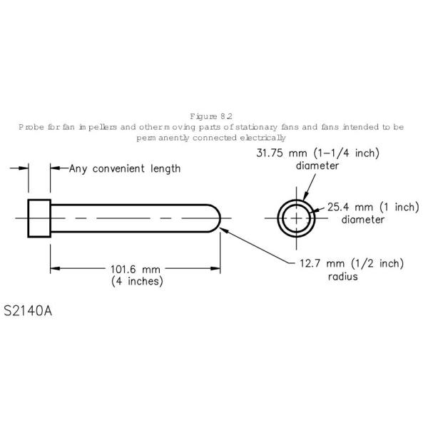
Hazardous moving part probe is conforms to the standards of UL507 figure 8.1 (PA160B), UL1278 figure 9.1 (PA160). It is applied to test the accessibility to hazardous moving parts such as access to fan blades through a fan finger guard. The handle is made of nylon, the finger is made by stainless steel.
Specification
| Rigid finger length | 101.6mm (4 inch) |
| Rigid finger diameter | Φ25.4mm (1 inch) |
| Head radius | R12.7MM (1/2 inch) |
| Tail diameter | 31.5mm (1_1/4 inch) |
Picture

|
|
Hazardous Moving Test Finger Probe Film Coated Wire Stainless Steel Material Images |